Radio, Antenna, and Speakers for 2004 Chrysler Sebring
No.
Part # / Description / Price
Price
8
Hex Flange Head Tapping Screw
Mopar
Mopar Description: M4.2 x 1.7 x 40.0. Door Trim Panel To Door
MSRP $3.10
$2.16
MSRP $3.10
$2.16
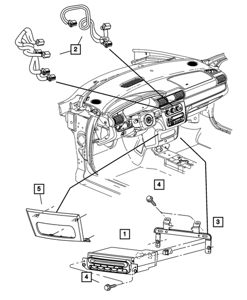
10
Snap In Nut
Mopar
Mopar Description: .164-7.5. Front Passenger Display To Instrument Panel
MSRP $22.35
$16.08
MSRP $22.35
$16.08
11
Tapping Hex Head Screw
Mopar
Mopar Notes: Engines: 2.0L I4 DOHC 16V SMPI ENGINE. 2.4L I4 DOHC 16V SMPI ENGINE. 2.4L I4 PZEV 16V DOHC ENGINE. ALL V6 ENGINES.
Description: M4.2X1.70X20.00. Unless otherwise indicated, fasteners in graphic will be either item 1 or item 2, depending on market.
MSRP $2.30
$1.38
MSRP $2.30
$1.38
No.
Part # / Description / Price
Price
N/A
Hex Flange Head Tapping Screw, Mounting
Mopar
Mopar Notes: Engines: 2.0L I4 DOHC 16V SMPI ENGINE. 2.4L I4 DOHC 16V HO TURBO ENGINE. 2.4L I4 DOHC 16V SMPI ENGINE. 2.4L I4 PZEV 16V DOHC ENGINE.
Description: M4.8 x 1.59 x 25.00. Outer Timing Belt Cover To Inner Timing Belt Cover
MSRP $3.75
$2.64
MSRP $3.75
$2.64
No.
Part # / Description / Price
Price
No.
Part # / Description / Price
Price



