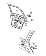
Rear Door for 2007 Jeep Grand Cherokee
No.
Part # / Description / Price
Price
1
MSRP $16.35
$11.76
10
Tapping Hex Flange Head Screw, Right
Mopar
Mopar Description: M6X2.14X17.55. Lower Glass Run Channel To Door
MSRP $11.05
$7.92
MSRP $11.05
$7.92
No.
Part # / Description / Price
Price
3
Hex Head Bolt, Mounting
Mopar
Mopar Description: M6x1.00x20.00. Heat Sheild To Engine Mount Bracket [M6x1.00x11.00]
MSRP $9.30
$6.66
MSRP $9.30
$6.66
No.
Part # / Description / Price
Price
3
MSRP $14.25
$10.26
4
MSRP $9.35
$6.72


